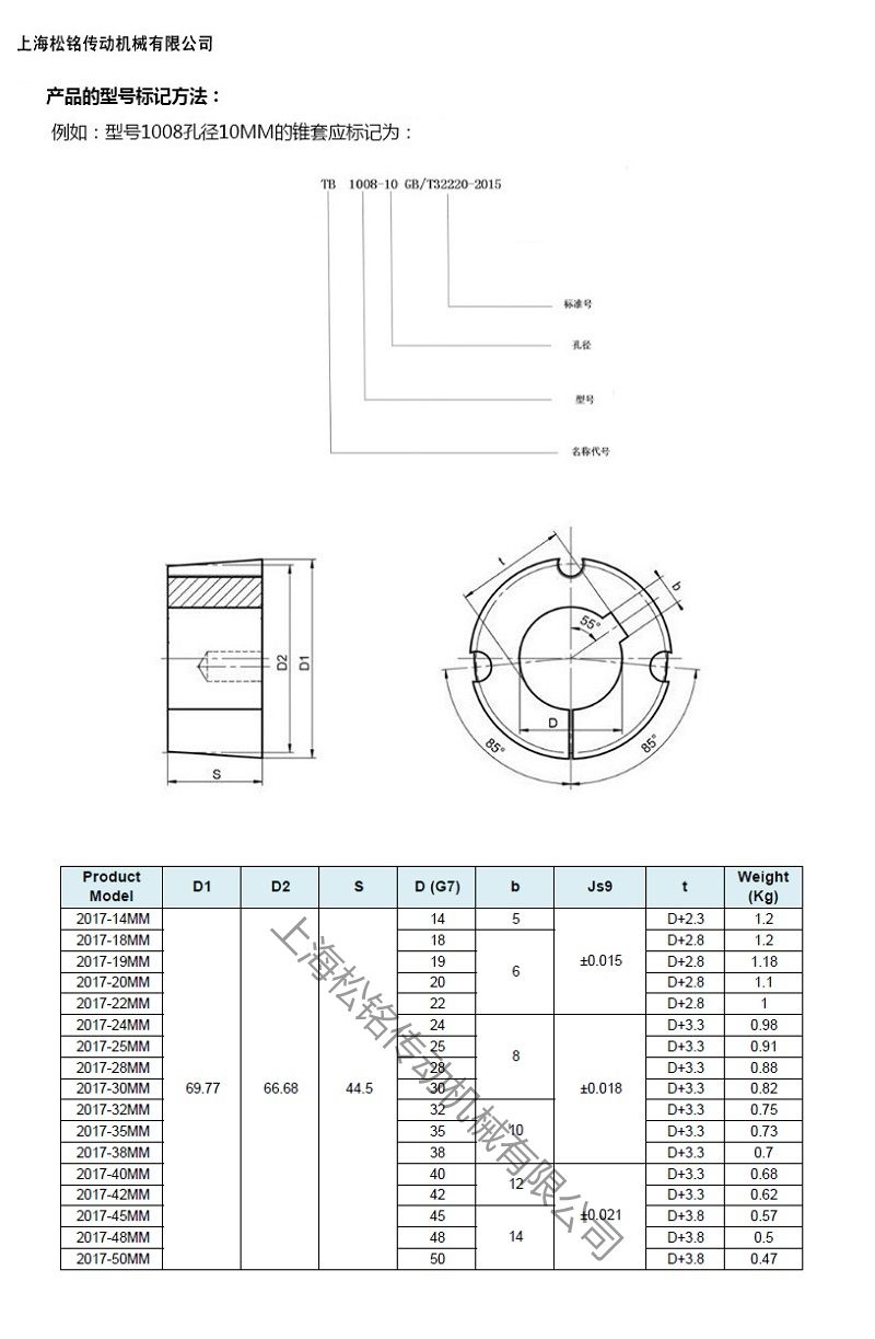
TB锥套-2017SONGMTC-TB/QD锥套2017-18.19.20.22.24.25.28.30.32.35.38.40.42.45.48.50.
TB锥套-1008
TB锥套-1108
TB锥套-1210
TB锥套-1215
联系人:苏先生
手 机:18621008099
邮 箱:stone_shu@shcoupling.com
公 司:上海松铭传动机械有限公司
地 址:上海市松江区车墩镇汇桥村(靠近汇北公路)