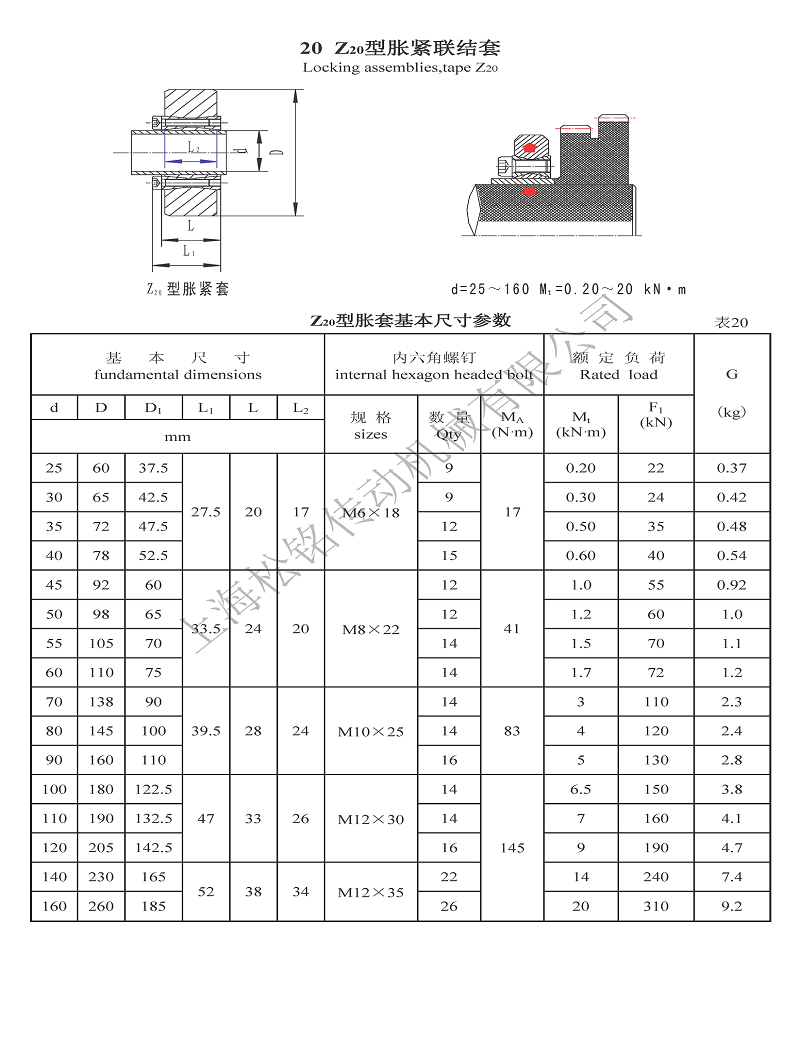
Z20型胀紧联结套、涨紧套、锁紧套
Z20型胀紧联结套、涨紧套、锁紧套-上海松铭传动机械有限公司
Z1型胀紧联结套
Z2型胀紧联结套
Z3型胀紧联结套
Z4型胀紧联结套
联系人:苏先生
手 机:18621008099
邮 箱:stone_shu@shcoupling.com
公 司:上海松铭传动机械有限公司
地 址:上海市松江区车墩镇汇桥村(靠近汇北公路)