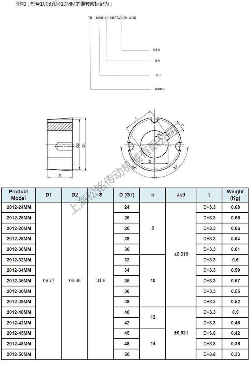
SONGMTC锥套型皮带轮SPB140-3-2012三槽欧标涨紧套皮带盘 Taper Bushing锥套2012型孔径可选范围:18.19.20.22.24.25.28.30.32.35.38.40.42.45.48.50
材质:HT250灰铸铁
SONGMTC锥套型皮带轮SPB140-3-2012三槽欧标涨紧套皮带盘 咨询订购电话 18621008099
更多传动件、联轴器、万向轴、窄V带轮、皮带盘、锁紧套、胀紧套选型网址:http://www.sm-coupling.com


联系人:苏先生
手 机:18621008099
邮 箱:stone_shu@shcoupling.com
公 司:上海松铭传动机械有限公司
地 址:上海市松江区车墩镇汇桥村(靠近汇北公路)